Pause nyu nalang yung video pag nasa wiring diagram na. Jeffs garage tutorials 108976 views.
Ttr125e Wiring Diagram Ttr Wiring Diagram Schematics And
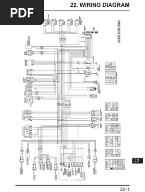
Mio i 125 wiring diagram. Blog ini untuk yang ingin belajar tentang mesin sepeda motor cara bongkar pasang mesin motor perawatan dan lain lain tentang sepeda motor. Seat damper installation mio mxi 125 duration. Posted in motorcycle diagrams tagged yamaha matic 115cc manual yamaha mio diagram yamaha mio part yamaha mio repair yamaha mio repair manual yamaha mio schematic yamaha mio service yamaha mio wiring diagram post navigation. Page 9 1 vr2 512 mc78l15acp 026 variable capacitor obsolete replaced with two 68pf caps 1 cv1 659 gkg30015 021 inductor ceramic 27uh 10 2 l1l2 m8030 nd 052 50 conductor card edge crimp connector used to make mio atari cable cce50g nd 479 mio service manual page 8. Fault codes and wiring diagram of yamaha mio soul i 125. Sa channel ko songikson.
Or mag comment lng kayu sa tanung po ninyo salamat pls subscribe. Mio i 125 s customized switch installation headlight parklight. Got stolen and they cut out the ignition and blew the wire harness. Stiffler monday 19 august 2019 1621 i am looking for a manual for benelli bn125. 31 august 2019 0550 i need a wiring diagram for a lance pch 125 please. Haedlight switch installation mio i 125.













