It reveals the components of the circuit as streamlined forms and the power and signal links in between the tools. Generac 6500e generator wiring diagram manual e books generac generator wiring diagram wiring diagram includes numerous detailed illustrations that display the connection of varied items.
Starter Generator Voltage Regulator Wiring Wheel Horse
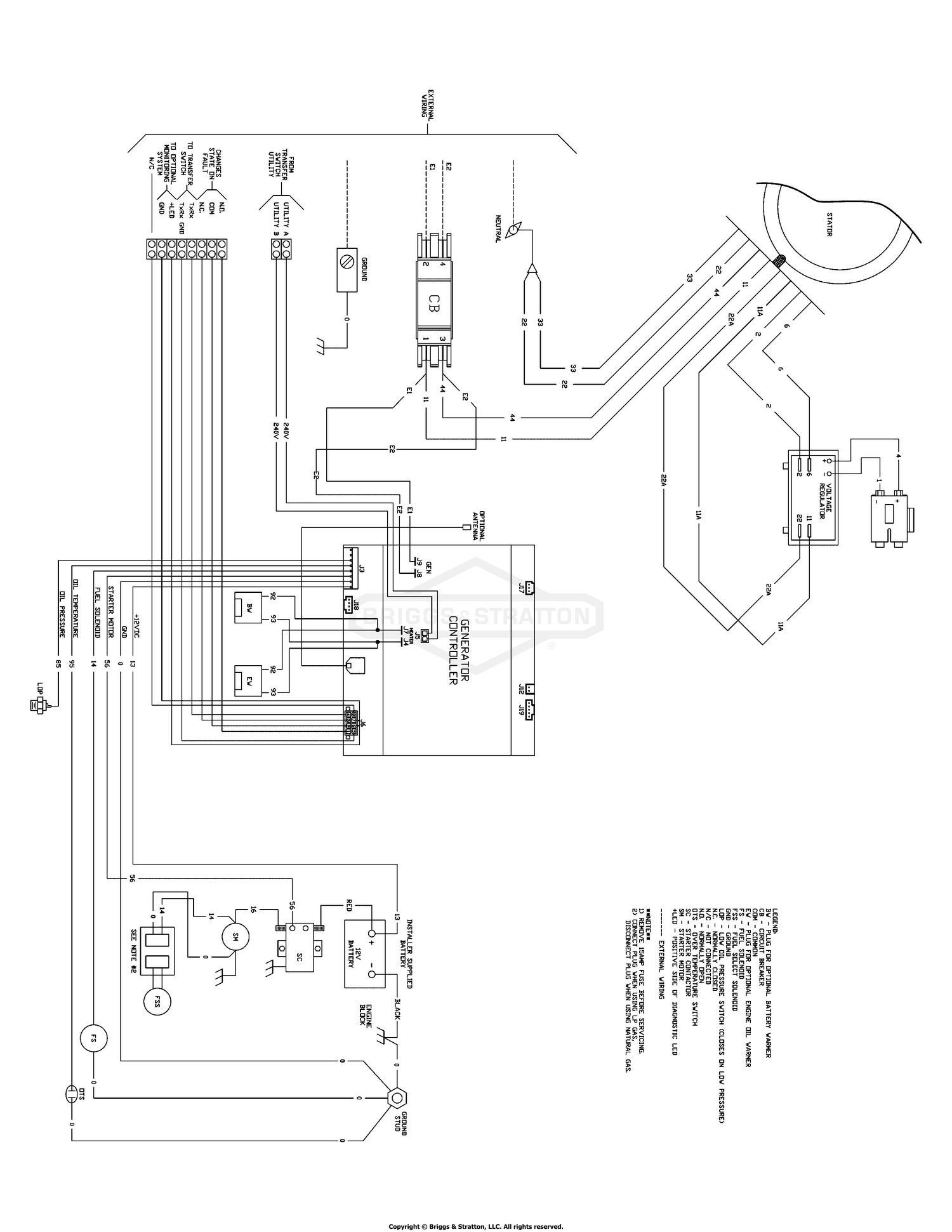
Generator wiring diagram. A generator is a core component of many peoples emergency preparedness plans. It reveals the components of the circuit as streamlined forms as well as the power as well as signal links in between the gadgets. A wiring diagram is a simplified traditional pictorial depiction of an electric circuit. November 30 2018 in. It provides a separate ground hole besides l1 l2 and n see diagram. Da7000ssa1 w gfci generator and engine wiring diagram.
Wiring diagrams use the wiring diagram cross reference chart to determine the wiring diagram version number for a given model number and spec number. A v main generatorarmature winding main generator field winding exciterarmature winding exciter field winding rectifier automatic voltage regulator voltage regulator rheostat current transformer change over switchammeter acammeter acvoltmeter frequency meter circuit breaker circuit breaker circuit breaker receptacle receptacle resistor rectifier relay unit. 3 phase generator wiring diagram welcome to my web site this post will go over about 3 phase generator wiring diagram. Wiring a generator 4 prong cable to 4 prong outlet. Generator wiring diagram and electrical schematics. It contains instructions and diagrams for different varieties of wiring methods along with other products like lights windows and so on.
Collection of onan generator wiring diagram. Maybe you have a cool charcoal powered or a multi fuel generator however many fail to think through how exactly they. Onan generator wiring diagram. Eps engine power source eps 20kw diesel wiring diagram eps 2120 diesel generator. Wiring the coils in 3 phases axial flux. Da7000ssa2 da7000ssa2gh generator and engine wiring diagram.
Ar fg exar exfg avr vr re as re1 r1 ct 12 f. January 28 2020 by larry a. Variety of generac generator wiring diagram. Then find that version number the controller type and the alternator type on the wiring diagrams reference chart to determine the wiring diagram numbers for your unit. We have actually accumulated numerous images ideally this photo serves for you and aid you in locating the response you are searching for. Da7000 generator and engine wiring diagram.
46512 46565 41535 and 41552 wiring diagram. Newer homes may have 4 prong 125250v drier outlet nema 14 30r. Empower series wiring diagram home generator system model 040234 15kw wiring diagram powerboss 7kw wiring diagram. For our task it has the right number of leads but a wrong geometry. Ups inverter power generator circuits no comments. Es52 wiring diagram gsc300 wiring diagram.
A wiring diagram is a streamlined standard photographic depiction of an electric circuit.














