Wiring harness kit when the wiring gets too old to repair or you just want to do your fj40 restoration right from the ground up then the painless wiring kit is your highest quality solution. Please right click on the image and save the image.
Fj60 Wiring Diagram Temp Sending Schematicsg Honda
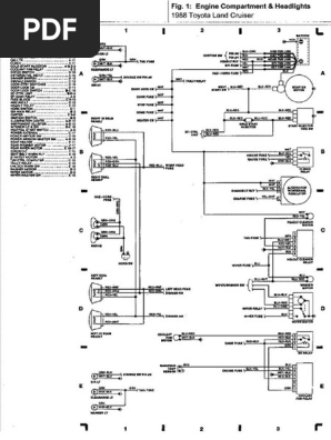
Fj60 wiring diagram. This wiring diagram manual has been prepared to provide information on the electrical system of the 2007 fj cruiser. This painless performance wiring kit is a complete kit and not a stripped down kit as offered by others. Gsj10 15 series refer to the following manuals for additional service specifications and repair procedures for these models. The painless award winning reputation is behind each kit. Engine compartment and headlights figure 2. Steve monrad fj40 wiring diagram wayne tangen headlight wiring harness upgrade 1988 fj60 wiring diagram toyota wiring harness repair parts enginefuel tech includes cooling info carb tech fuel injection etc.
Our people also have some more photos related to toyota electrical wiring diagram on please see the image gallery below click one of the. Also keep in mind that your feedback is important and ill appreciate your time and consideration if you leave some testimonial. The numbers in the illustration are linked to the category for price and ordering. Land cruiser fj40 fj55 fj60 fj62 fj80 transfer case. Fj40 wiring diagrams. You can save this photograph file to your personal laptop.
Listed below is the vehicle specific wiring diagram for your car alarm remote starter or keyless entry installation into your 1987 toyota land cruiserthis information outlines the wires location color and polarity to help you identify the proper connection spots in the vehicle. The illustration may be used as a reference to identify parts for your application. Tech information furnished by. This is the toyota land cruiser 1988 fj60 engine compartment cont and of a picture i get via the toyota electrical wiring diagram on package. Engine compartment cont ignition. Click each link for a gif image of each diagram.
1988 fj60 wiring diagrams. Toyota land cruiser fj40 fj55 fj60 fj62 fj80 transfer case illustration diagram. Tech information furnished by john holmaas drawing 0 drawing 1 drawing 2 drawing 3 drawing 4 drawing 5 drawing 6 drawing 7 drawing 8 drawing 9 drawing 10 drawing 11 drawing 12 drawing 13 drawing 14 drawing 15 posted february 22 2005 2000.










.jpg)



