Dual battery wiring diagram. Wiring diagram will come with numerous easy to adhere to wiring diagram instructions.
Voltage Sensitive Relay Boat Wiring Easy To Install
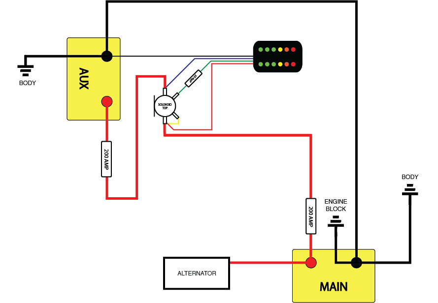
Dual battery wiring diagram. These directions will be easy to comprehend and implement. Dual battery isolator wiring diagram for integrator1 jpg in system dual battery isolator wiring diagram. Otherwise the arrangement will not work as it should be. Do not connect the positive wire at this stage left until last step. It shows the parts of the circuit as simplified forms and the power and signal links in between the devices. Learn to wire the ultimate dual battery setup.
Dual battery isolator schematic after answering numerous questions about different battery isolator schemes i decided it would be easier to just build a webpage. A wiring diagram is a streamlined conventional photographic representation of an electrical circuit. Each component should be placed and linked to other parts in particular way. Our comprehensive guide will show you how to get the job done in no time. Below you will find the basic design of 3 types of battery isolators with the pros and cons of each. Dual battery isolator wiring diagram dual battery isolator circuit diagram dual battery isolator switch wiring diagram dual battery isolator wiring diagram every electric structure is made up of various unique pieces.
1 mount the circuit breaker under the bonnet close to the starting battery. Assortment of blue sea dual battery switch wiring diagram. It is intended to help all the average person in developing a proper method. Installation of kit connect negative ground wire to the starting batterys negative terminal.















