Learn about ats control panel wiring diagram. It is about two electrically controlled circuit breakers.
Wiring Diagram Asco 4000 Series Automatic Transfer Switch
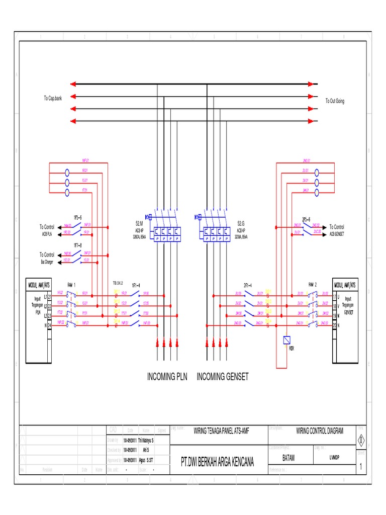
Ats control wiring diagram. It shows the parts of the circuit as streamlined shapes as well as the power and signal links in between the gadgets. Ats control wiring diagram wiring diagram is a simplified adequate pictorial representation of an electrical circuit. How to dimension a panel how to manufacture panels how to interface a panel with a diesel generator. The contactors are not allowed to close simultaneously but only one at a time. February 28 2019 by larry a. Wellborn assortment of asco 7000 series ats wiring diagram.
It shows the components of the circuit as simplified shapes and the capability and signal contacts amid the devices. Fig 5 shows 4 poles 3 phase automatic transfer switch ats connection to the main distribution board. A smart way to build an automatic transfer switch is by using two contactors together with an ats controller. Purchase the how to make amf ats panes. A wiring diagram is a simplified conventional photographic depiction of an electric circuit. Updated ats circuit diagram with complete ic 4060 and ic 555 wiring details.
A wiring diagram is a streamlined conventional pictorial representation of an electric circuit. It shows the elements of the circuit as streamlined shapes as well as the power and also signal links between the gadgets. All the wiring connections are same as above for manual operation of three phase changeover switch but the switching operation is automatic. Wellborn variety of ats wiring diagram for standby generator. September 11 2018 by larry a. The following article explains an enhanced automatic transfer switch ats circuit which includes several customized sequential changeover relay stages making the system truly smart.
Yu will find lessons of full immersion in the automatic mains failure and automatic control panel matter.
















