Navigate your 1987 yamaha ysr50 ysr50t fairing cowling schematics below to shop oem parts by detailed schematic diagrams offered for every assembly on your machine. If you clean it your bike will look new but if you dont your newly restored bike could look prematurely old.
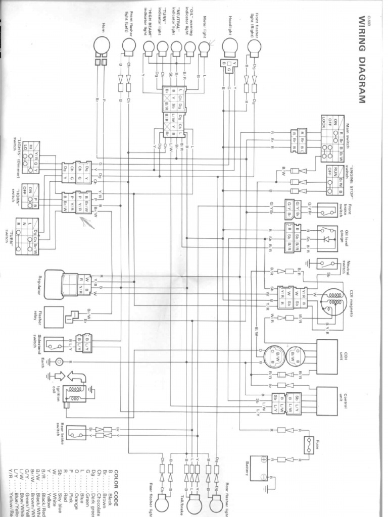
Yamaha Ysr50 Wiring Diagram Wiring Diagram Kdc U Wiring
Ysr50 wiring diagram. This is a discussion on ysr 50 manual in pdf format within the nsr50 nsff mb5 ns1 and rcv mini forums part of the general talk category. The wiring harness is the spinal cord of your bike. It would be greatly appreciated. This is a discussion on need ysr50 manualwiring diagram within the nsr50 nsff mb5 ns1 and rcv mini forums part of the general talk category. Joined sep 27 2003 550 posts. Jump to latest follow 1 3 of 3 posts.
I am putting a race bike back on the street i need to figure outhonda zb50 wiring diagramwiring diagrams vintage yamaha enduro fans. Discussion starter 1 mar 12 2010. Thirty nine other page parts fiche for ysr50 1988 j usa. Which is good because i have a bottom end here that needed a top end. Its one of those parts that takes a lot of time to clean. Hey guys can someone send me a link to this.
For review only if you need complete ebook yamaha ysr50 t service manual please manual kawasaki w manual and other guides and wiring diagrams sep 11 ysr 50 manual in pdf format. A total of thirty nine lists available for yamaha ysr50 1988 j usa. Need ysr50 manualwiring diagram. I scored a 63cc top end for my nsr50 a month or so ago. Yamaha ysr50 wiring diagram thank you for visiting our site this is images about yamaha ysr50 wiring diagram posted by alice ferreira in diagram category on nov 10 you can also find other images like wiring diagram sensor location fuel pump location starter location control module location parts diagram replacement parts electrical. Im in the process of trying to get my recently purchased ysr50 to run i have all the parts i think but i have wiring everywhere with cut connectors.
Yamaha ysr50 manual ebay find great deals on ebay for yamaha ysr50 manual 1 product rating yamaha ysr50 ysr 50 service repair yamaha virago wiring diagram is one of grown niche right now. Whats up to the 5 people on the planet that still have an interest in nsr50s. We know it from google engine data like adwords or google trends. Could someone please please send me the wiring schematic. The largest parts list rear wheel contains forty six products for this ysr50 1988 j usa. Hey guys can someone send me a link to this.
We were very fortunate that the ysr 50s wiring harness was in decent shape.














