Wabco abs wiring diagram you will want a comprehensive skilled and easy to comprehend wiring diagram. Not only will it assist you to achieve your desired final results faster but also make the complete method less difficult for everybody.
Wabco Vcs Ecu Pdf
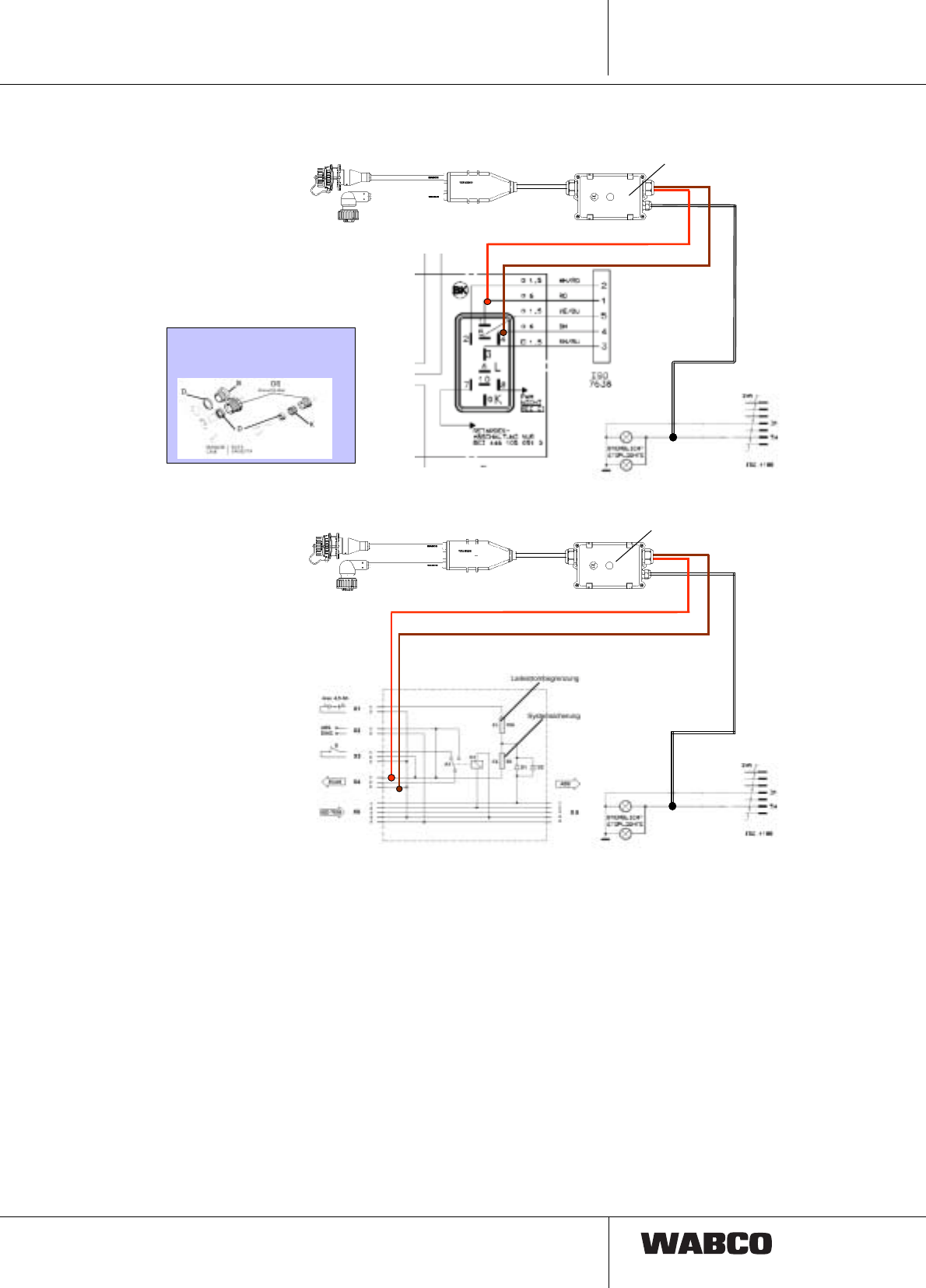
Wabco ebs wiring diagram. Each component ought to be placed and linked to other parts in particular way. With such an illustrative guidebook youll be able to troubleshoot stop and full your tasks with ease. Wabco ebs e wiring diagram wiring diagram is a simplified customary pictorial representation of an electrical circuit. Wabco trailer abs wiring diagram meritor trailer abs wiring diagram wabco trailer abs ecu wiring diagram wabco trailer abs module wiring diagram every electric arrangement is made up of various distinct parts. 17122018 17122018 4 comments on freightliner wabco abs brake module wiring diagram meritor wabco 12v abs brake module 0 free shipping. If not the arrangement wont work as it should be.
Each component ought to be set and linked to different parts in particular way. It shows the components of the circuit as simplified shapes and the gift and signal links in the company of the devices. Wabco trailer abs wiring diagram you will want a comprehensive professional and easy to understand wiring diagram. Otherwise the structure will not work as it should be. Not just will it assist you to achieve your required outcomes more quickly but additionally make the entire procedure easier for everybody. With such an illustrative guide you will have the ability to troubleshoot avoid and total your tasks easily.
Wabco abs wiring diagram meritor abs valve wiring diagram meritor abs wiring diagram meritor wabco trailer abs wiring diagram every electrical arrangement consists of various different components.

















