122 videos play all how to troubleshooting videos from thor motor coach thor motor coach rv power problem leads to converter diagnosis and replacement duration. I agree to receive news and promotional emails about thor motor coach products and services.
Campervans Thor Motor Coach Thor Industries White Sands Rv
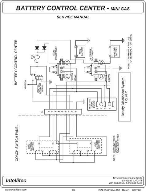
Thor motor coach wiring diagram. Inspect the entire motorhome during your pdi and test drive and note any issues in. Thor motor coach wiring diagram wiring diagrams pdf 12 volt 900 ah solar system so far page 4 irv2 forums pdf df0 76 triton wiring diagram for motorhome wiring library pdf. Strip ½ of jacket from each of the wire conductors. The line out wires will enter the thor transfer switch from the opposite side. You can unsubscribe at any time. You can unsubscribe at any time.
I agree to receive news and promotional emails about thor motor coach products and services. By submitting the form you consent to be contacted by a thor motor coach representative. Connect the colored wires to the thor transfer switch terminals using the diagram above using your 2. Wiring diagram ace 271 thor motor coach 2014 ace. Read the thor motor coach limited warranty and the thor motor coach limited structural warranty before you purchase your motorhome. It has high current fuses that protect your vehicles main electrical systems from overloads.
Strip 4 of outer jacket from each of the incoming cables. By submitting the form you consent to be contacted by a thor motor coach representative. If repairs are necessary during the terms of the motor home warranty please contact the nearest authorized thor motor coach dealer for service. My rv works inc. Contact airstream tech support they will send you a pdf file jul 02 2017 rvs. See below diagram for wiring layout.
In the event repairs are necessary during transit contact thor motor coach customer service. Super puff car that i am ready to steer off a cliff. Thor rv wiring diagrams basic electrical wiring theory pdf. If you have questions regarding coverage contact tmc customer care at 877 855 2867.















