This product includes a 2 line display screen to display the data measured by the sensor and that you programmed to make your automatic control. Rex c100 controller pdf manual download.
41e Rex C100 Pid Wiring Diagram Wiring Library
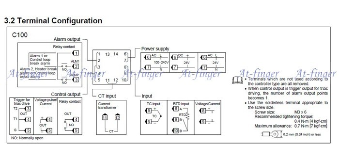
Rex c100 wiring diagram. Rex c100 series instruction manual author. 2 for the c100 when control output is trigger output for triac driving only the alm1 is available. Diagrams and numeric values used in this manual are only. Nearly finished building the extruder but am having issues with my wiring. 4 heater break alarm cannot be specified in case of alm1. Orduzandres02 harold andres orduz valencia 32392 views 420.
It also includes 4 buttons for a more comfortable setting for. Controlador pid para estrusora de plástico rex c100 y termocupla tipo k configuración duration. All wiring must be completed before power is turned on to prevent. View and download rkc instrument rex c100 instruction manual online. 3 for the c100 there is no second control output. Have followed the wiring diagram for logic and wired everything up.
I have 2 rex c100s and 4 heating elements all wired the same as daves 1 rex c100 for 1 heating element at front and another rex c100 for 3 at the back. Also it isnt possible to specify when control output is current output. Rex c410 rex c400 rex c900 rex c700. 1 c100 cannot be specified in heatcool pid action. Rex c100 temperature controllers temperature control rex c100 contains everything needed for a project of automatic control pid for the temperature applied to a thermocouple type k.

















