View and download raypak p r185a to p r405a c r185a to p r405a p r185al to p r405al c r185al to c r405al rp2100 installation and operating instructions manual online. Raypak raytherm wh 1125 pdf user manuals.
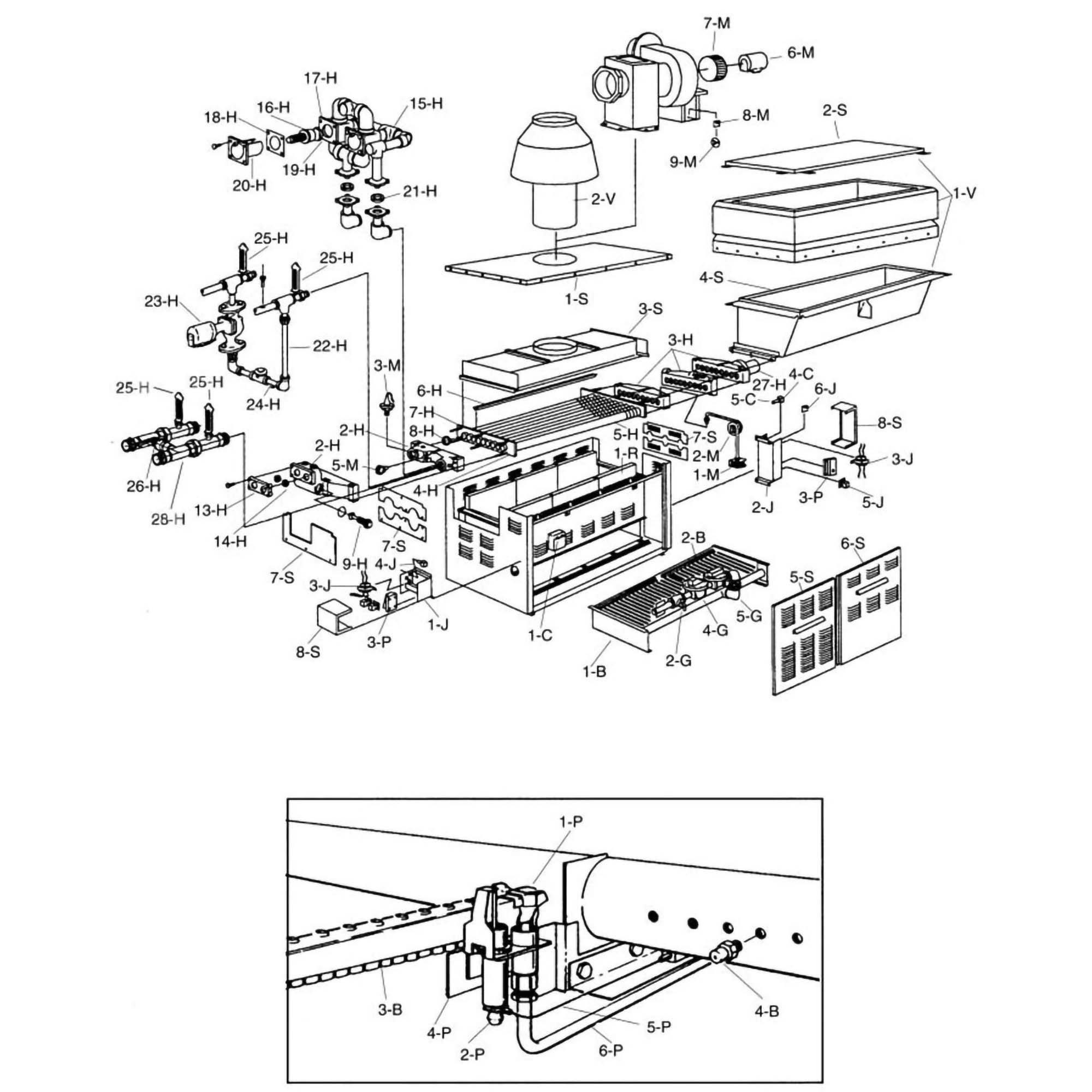
Parts For Raypak 155a Swimming Pool Heaters Poolcenter Com
Raypak wiring diagram. Raypak pool spa residential and commercial hydronic products. View online or download raypak 406a installation operating instructions manual installation and operation manual replacement instructions manual. Wiring diagram millivolt mechanical therm 29. Raypak pool spa residential and commercial hydronic products. General location of controls. This manual should be maintained in legible condition and kept adjacent to the.
View online or download raypak raytherm wh 1125 installation operating instructions manual. Raypak swimming pool and spa heater operating instructions. Raypak pool spa residential and commercial hydronic products. Raypak pool heater wiring diagram. Your poolspa heater has been designed for years of safe and reliable. Page 22 wiring diagram iid units atmospheric page 23 wiring diagram iid units low nox.
Raypak 406a pdf user manuals. Raypak els 1102 2 pdf user manuals. Wiring diagram digital models atmospheric. 09012019 09012019 4 comments on raypak pool heater wiring diagram. The options selected for a particular unit may affect the actual drawing required. A copy of the actual wiring diagram used ships with the unit.
View online or download raypak els 1102 2 installation operating instructions manual illustrated parts list. A copy of the actual wiring diagram used ships with the unit. This manual should be maintained in legible condition and kept adjacent to the heater. Please note that these drawings reflect the standard configuration. The options selected for a particular unit may affect the actual drawing required. Please note that these drawings reflect the standard configuration.

















