Jan 2016 1 06 30 2019 0341 pm. Optare was founded in 1985 in leeds uk.
Snowblower Cab
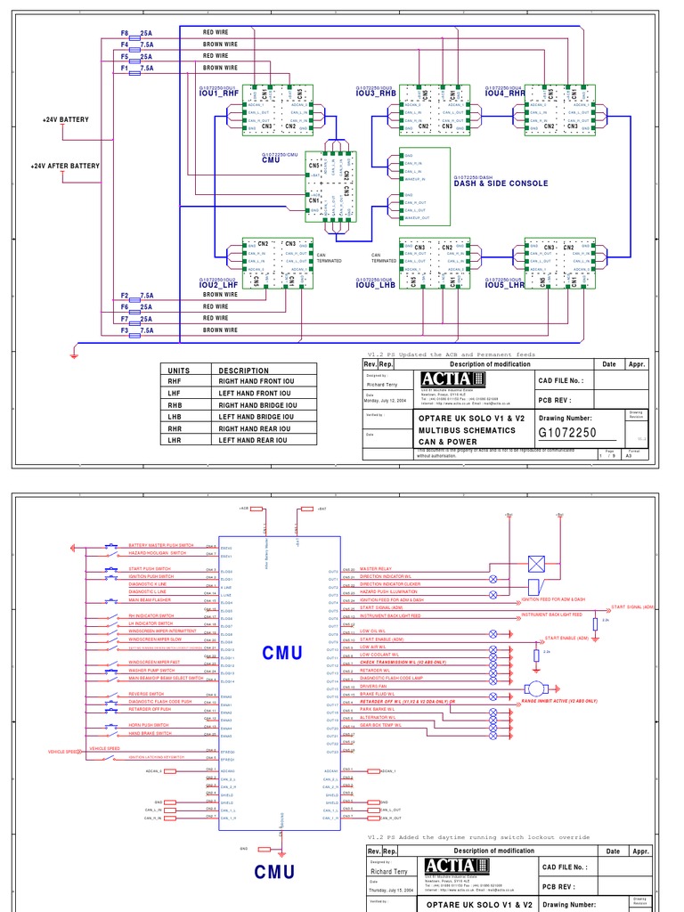
Optare solo wiring diagram. Registered in england no. Optare group limited registered office. Under the management of the american bus company nabi which specializes in buses optare is constantly introducing new models. Optare column switch wipers x5458891. The following wiring diagrams and manuals are created by solo guitars techs and are specifically designed and intended for solo diy kits. Wiring diagrams manuals.
Led bus stopping sign optare solo sr. 44 0 1977 687 200 f. Would anyone have the wiring diagrams for the new and the older solo buses relating to the iou actia systems thanks. Optare solo iou wiring diagrams. Some optare bus manuals pdf are above the page. Mac86 location offline junior member reputation.
1818255 an ashok leyland company. The company produces buses of various functionalities from public city to intercity transit. Optare column switch lighting x5458894 repair. Optare column switch indicators horn x5458893 repair. Please remember these are standard wiring configurations and will present great results. 1 1 posts posts.
Multi aid multiplex diagnostics actia is responsible for the development design and control of the electrical power management architecture of thousands of vehicles in service and many hundreds produced each year from alexander optare and plaxton. We have included two types of wiring diagrams. Anyone is free to use these wiring diagrams. Hurricane way south sherburn in elmet leeds ls25 6pt t. 44 0 8434 873 201. Mercedes sprinter optare scirocco switch panel 24v 6 way.
Among the british manufacturers of passenger transport optare is one of the authorities.














