It consists of instructions and diagrams for various types of wiring strategies along with other products like lights windows etc. Wellborn collection of wiring diagram for murray riding lawn mower solenoid.
Ignition Wiring Diagram Murray Mower 46 Cut In Murray Xa
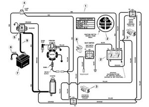
Murray lawn mower solenoid wiring diagram. A wiring diagram is a simplified traditional pictorial depiction of an electric circuit. It shows the components of the circuit as simplified shapes and the aptitude and signal associates in the midst of the devices. Video on replacing lawn mower solenoids will be very similar on just about any lawn mower some may be a little harder to get to usually located near the battery. Wiring diagram for murray riding lawn mower new wiring diagram for wiring diagram for murray riding lawn mower. October 11 2018 by larry a. Wiring diagram for murray riding lawn mower solenoid free wiring wiring diagram for murray riding lawn mower solenoid.
It reveals the parts of the circuit as streamlined forms as well as the power as well as signal links between the devices. 2008 murray 42 riding lawn mower electric schematic wireing for a murry rideing lawnmore with motor in back murry model 465603x92 wiring diagram murray riding mower solenoid wiring murray lawn mower wiring diagram wiring diagram for murray riding lawn mower fuse location on 2003 murray riding mower sentinel riding mower safety switch. Wiring diagram includes many comprehensive illustrations that show the connection of assorted items. Murray lawn mower solenoid wiring diagram wiring diagram is a simplified pleasing pictorial representation of an electrical circuit.















