While these wiring diagrams may seem confusing there is a method to their madness. Sometimes people are just trying to fix their blinkers and arent familiar with how motorcycle electrics work but more often than not i get requests about trimming down electronics for custom riders.
Bobber Wire Diagram Ferarri 9 Mareikekirsch De
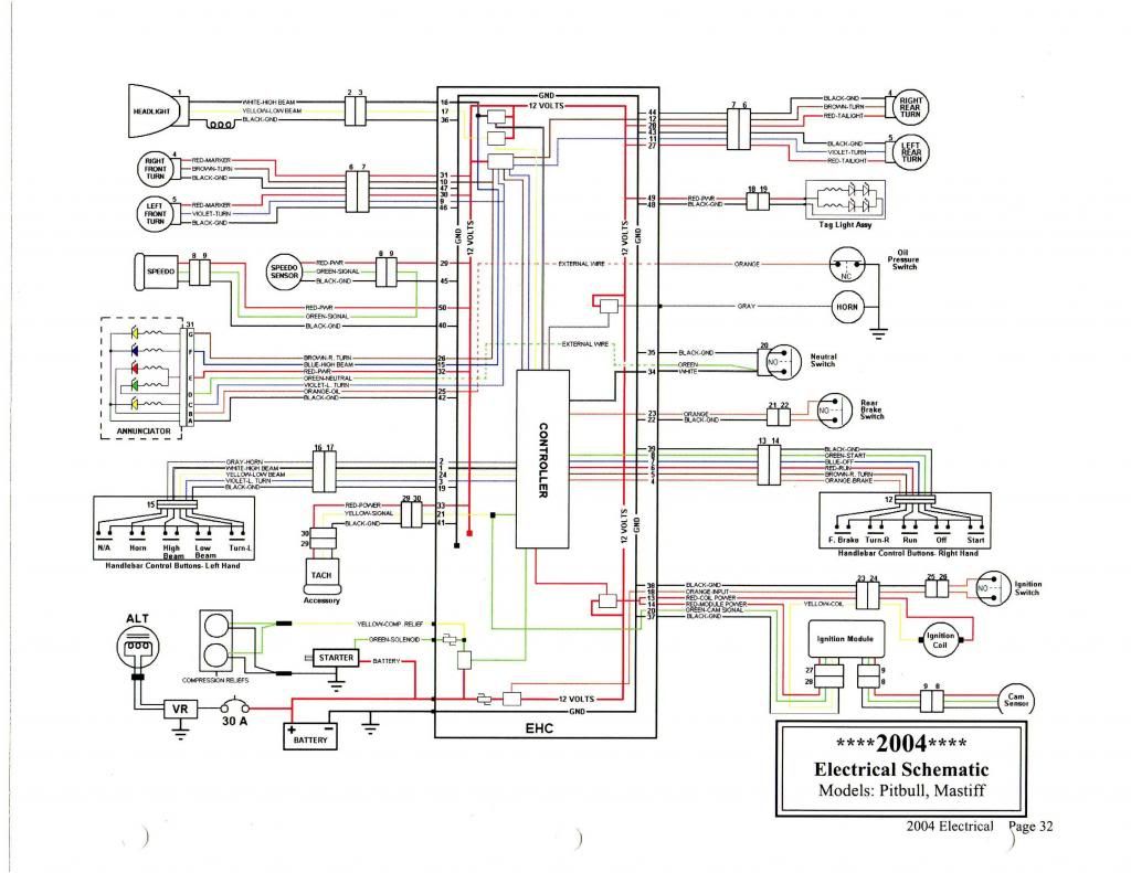
Motorcycle wiring diagram. February 22 2017 0. Draw a diagram to map out your wires and connections. Simple motorcycle wiring diagram for choppers and cafe racers i get a lot of questions about wiring motorcycles. To fix a fault in this mess of wiring we need to remember each system is separate. If that circle is ever broken something wont work. Great prices and cheap shipping.
How to change your motorcycle battery. The fundamental principles of wiring are generally the same from motorcycle to motorcycle. Some honda motorcycle manuals pdf wiring diagrams are above the page. Something to keep in mind. Links to free wiring diagrams. In 1961 honda sold a record number of motorcycles to the industry 100000 a month.
Heres the basic step by step. However if we want all the fun stuff we put on our motorcycles to work we have to have what is essentially a combination of many different wiring systems. Power leaves the battery from one terminal passes through whatever will use that power lights horn coil whatever and ends up back to the opposite terminal of the battery. Here are the basic steps for how to wire a motorcycle. Color laminated wiring schematics and diagrams for restoring and maintaining classic amc american motors buick cadillac chevy chrysler dodge ford griffith jaguar mercury oldsmobile opel plymouth pontiac studebaker triumph volvo cars and trucks. February 28 2018 0.
Japanese brand honda is known as one of the largest motorcycle manufacturers. Guide lamps and their history in motorcycles. So if you find a diagram that is close to your yearmakemodel it is probably a good starting point. Its best to think of motorcycle wiring like a circle. Free motorcycle wiring diagrams roundup. If you understand wiring in general you should be able to modify it accordingly.
May 29 2017 0. Confirm youll have enough length do a dry run and test the length as your turn the handle bars and properly route the wires. 17 suzuki motorcycle wiring diagram motorcycle diagram in 2020. Production starts in taiwan and an official representative office opens in germany. Color motorcycle wiring diagrams for classic bikes cruisersjapanese europian and domesticelectrical ternminals connectors and supplies. February 22 2017 0.
Use 16 gauge or 18 gauge insulated copper wire. A year later in belgium the assembly of motorcycles for the european. Motorcycle wiring 10 pieces of advice for your next project.















