M7 172d ps rancher edition download pdf. It shows the components of the circuit as simplified forms and the power and signal links between the gadgets.
Wrg 2785 Kubota Wg600 B Wiring Diagram
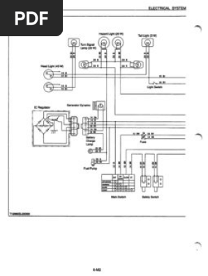
Kubota wiring diagram pdf. Variety of kubota ignition switch wiring diagram. Kubota 7800 wiring diagram pdf data wiring diagram schematic kubota wiring diagram pdf wiring diagram contains numerous detailed illustrations that show the connection of assorted items. Each part ought to be placed and connected with other parts in specific manner. Kubota wiring diagram pdf kubota b21 wiring diagram pdf kubota l2900 wiring diagram pdf kubota rtv 900 wiring diagram pdf every electrical arrangement is composed of various distinct parts. Tractors and agricultural machinery engines heavy equipment construction construction equipment vending machines. Some kubota tractor manuals pdf wiring diagrams are above the page.
Wellborn variety of kubota wiring diagram pdf. It contains instructions and diagrams for various types of wiring methods along with other items like lights home windows etc. One of the oldest manufacturers of small tractors in japan is kubota. Detailed owners manual for kubota products including kubota tractors kubota mowers excavators utility vehicles skid steer track wheel loaders more. If not the structure wont work as it should be. It shows the parts of the circuit as simplified shapes and the power and signal links between the tools.
A wiring diagram is a simplified conventional pictorial depiction of an electrical circuit. 6302020 22804 am. Kubota corporation is a manufacturer of tractors and heavy machinery located in osaka japan. The company was founded in 1890. History of kubota tractors. The company produces a variety of products including.
The history of the engineering corporation kubota corporation dates back to 1890 from the discovery in the japanese city of osaka of a company that produces cast iron pipes for water pipes. Wiring diagram kubota messicks created date. A wiring diagram is a simplified conventional photographic depiction of an electrical circuit. July 9 2018 by larry a.















