Honda wave series also known as honda nf series honda innova in europe and honda supra in indonesia is a series of small motorcycle models known as an underbone. If you are an expert people you can use this manual as reference.
Manual De Servicio Toyota Kijyang Innova Onnova 1kd 2kd
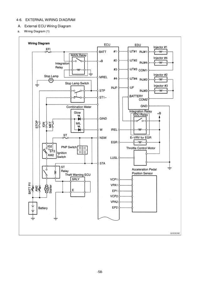
Innova wiring diagram. This is a nice book that i am searching for. Toyota tacoma 2007 repair manual 09122013. Toyota hiace 1989 2004 workshop manual 12122013. Look at this this is the wiring diagram of the honda wave 125s. Toyota innova wiring diagram wiring diagram is a simplified standard pictorial representation of an electrical circuit. Repair manual toyota alphard 2008 12122013.
Thanks for sharing toyota innova wiring diagram by yansen may 16 2012. Toyota rav4 2006 wiring diagrams 13122013. Thank you for sharing toyota innova wiring diagram. Toyota 1cd ftv engine repair manual 13062017. Wiring diagram toyota innova bagi rekan rekan jika mau download wiring diagram toyota innova ini link downloadnya. It shows the components of the circuit as simplified shapes and the aptitude and signal connections in the midst of the devices.
4 5 stars. Toyota sienna 2003 workshop manual 13122013. Toyota rav4 2010 wiring. Where to download toyota innova wiring diagram tk 3101 manual interview question for network server engineer land rover defender workshop manual kz1000j owners manual maintenance manual kia soul 1 6 cvvt latex user manual lonely planet australia travel guide john e freund mathematical statistics with applications 7th edition. Lexus lx470 2007 workshop 05102018. The toyota innova wiring diagram very good for beginner.
Toyota innova is the leading car in security technology. I found this honda motorcycle wiring diagram on 4shared but unfortunately not very clear detailed picture there. Wiring diagram electrical system suspension periodic lubrication steering cooling system fuel injection fuel system emission system heater air conditional engine control system chassis body restraint system interior differential drive axle.















