Otherwise the arrangement wont function as it ought to be. I have that switch in my 98 ibanez and have had no issues and would replace it with the same switch.
Ibanez 5 Way Wiring Question
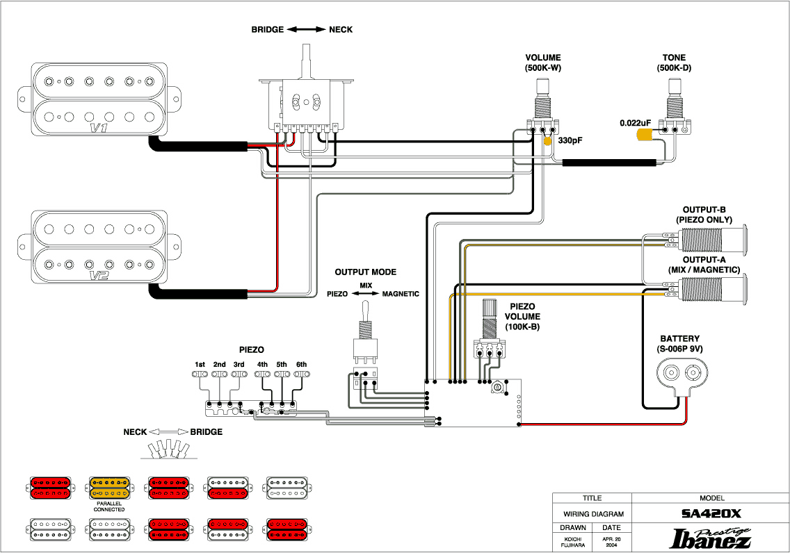
Ibanez wiring diagram 5 way switch. Attached is a wiring diagram for the ibanez style models irg irg reply to. Page 1 of 2 1 2 next. Ibanez wiring diagram h s h 1v 1t 5 way switch. If you prefer oak grigsby makes a narrow width 4 pole super 5 way switch. Need help with ibanez super 5 way switch wiring vlx91 discussion in pickups electronics general tech started by mrmcsick nov 23 2013. Some diagrams may be unavailable during this time.
This plan calls for a 4 pole super switch one mother of a switch to replace the boring ol 5 way in your guitar. This switch has 24 terminals and allows for some pretty creative switching possibilities. The inner workings of a 5 way switch and various wiring options duration. Just wondering if anyone knows where i might find a diagram for wiring the sentient nazgul or seymour duncan in general pickup in an ibanez with 5 way. Our apologies for the inconvenience. If i was you i would follow the wiring from the ibanez diagram you posted do mind the wire color codes though duncans and dimarzios using different wiring color codes then the ibanez pups you can find essay typer at the duncan and dimarzio website airhead posted the links above and then just turn mount both your humbuckers around 180.
Its maybe 18 wider than a standard 5 way switch. Import 5 way switch wiring diagram import 5 way switch wiring diagram every electrical structure is made up of various distinct components. Wiring diagrams site under construction. I made sure the large switch fit in the cavity of my guitar or else id have routing to do as well. Ibanez 5 way switch schematic study the wiring diagram that came with your new switch to confirm how for detailed soldering tips see tips for replacing a strat style 5 way switch. Each part ought to be placed and linked to other parts in particular manner.
Ibanez has the goofiest 5 way coil splitting pickup gimmicks. Sa160 wiring ibanez 5 way switch 1 volume 1 tone 1 humbucker 2 area style singles. Neck neck middle middle bridge split middle bridge. Two common types of 5 way switches the questions i get asked in response to people reading my stuff on guitar wiring often relate to the 5 way pickup selector switch. We are currently upgrading our support pages. I have had no issues getting any wiring scheme out of it and it fits everywhere.
Breja toneworks 110769 views. Ibanez wiring diagrams 5 way switch richard.















