For io wiring installation and maintenance. Applicable standards fx3u 4ad adp units made in june 2005 or later comply with the ec directive emc.
Mitsubishi Lap Trinh Plc Afdf Afaf
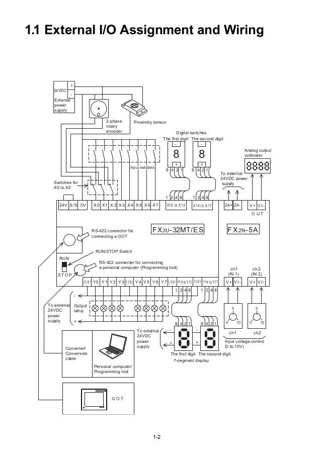
Fx3u wiring diagram. 09r517 describes plc programming for basic applied instructions stl sfc programming and devices. Please refer to the following diagram it is absolutely necessary to wire the ss terminal. Fx3u external input wiring can be either sink method or source method. Startup and maintenance precautions make sure to cut off all phases of the power supply externally before attempting installation or wiring work. Fx3uc series users manual hardware edition jy997d28701 model code. Specifications for io wiring installation and maintenance.
Melsec qlf structured programming manual fundamentals sh 080782 model code. 09r519 explains fx3uc series plc specifications for io wiring installation and maintenance. While the aforementioned wiring connection diagram may differ from the wiring connection diagram recommended by mitsubishi electric corporation the diagram described in this manual has no problem for operation. 2 safety precautions read these precautions before use 2. Fx3u input wiring caution this notice is wholly designed to explain the fx3u dc input type sinksource input wiring variation to users of the exclusive sink input type model. Refer to the deviceplc connection manual chapter 56 cable diagram 6.
3sfx3gfx3gc fx3ufx3uc series programming manual basic applied instruction edition jy997d16601 model code.

















