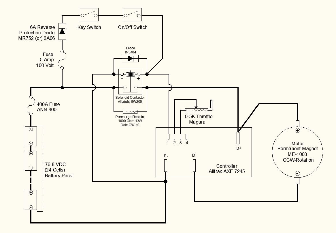
Most e bike controller will have these wires motor battery brakes throttle accelerator or pas pedal assist system some controllers have both types of wires some have one of them. Variety of e bike controller wiring diagram.
Battery Upgrade Toronto Electric Riders Association
Ebike battery wiring diagram. A wiring diagram is a simplified traditional pictorial representation of an electrical circuit. The controller that we are making is designed for this e bike. It was tested around about 10 mile every day and this controller is tested and trouble free. A wiring diagram is a streamlined standard photographic depiction of an electric circuit. Ev customs 215726 views. How to assemble and connect e bike electronic parts and components duration.
It reveals the elements of the circuit as streamlined shapes as well as the power and signal links in between the gadgets. It shows the elements of the circuit as streamlined shapes and the power as well as signal links in between the tools. Dec 31 2018 e bike schematic the wiring diagram at through the thousands of photos on line with regards to e bike schematic we selects the. This e bike use very small amount of amps like 10 amps at 50 volts. We are using irfp4468 field effect power transistor are rate 195 amps at 100 volts maximum. Assortment of ebike wiring diagram.
Simplest electric bike wiring diagram. You need the electric bike controller wiring diagram to ensure the right wiring connections. How to build a diy ebike battery.
















