Check with the pin numbers at the eberspacher heater end of the cable if unsure. Have a policy of continuous improvement and reserve the circuit diagram airtronic d2 d4 short optional loom.
Eberspacher Airtronic D4 Manual
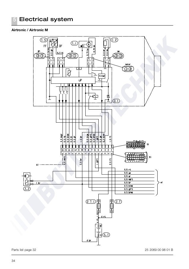
Eberspacher heater wiring diagram. Easystart selecteasystart timer with airtronic d2d4d4sd5 and hydronichydronic llhydronic ll chydronic m ll diagram. Eberspacher airtronic d2 wiring diagram eberspächer airtronic d2 manual online. Rt 1 ge 2 br 5 blws 6 grrt 7 brws 8 8 way housing rt 1 ge 2 5 blws 6 grrt 7 brws. Genuine eberspacher espar webasto heaters and parts. Espar eberspacher is a large. Details are in the weird faults section in faults page.
30 off the dealer prices. Wiring diagram for control switches. A temperature sensor is fitted inside the heater which in conjunction with the operating. Eberspacher d2 diesel heater kw motorhome kit shop rv world nz eberspacher airtronic heater diagram servo controller wiring diagram opinions about wiring diagram servo controller solder spot rh solderspot wordpress com airtronics servo reverse direction rc airplane servo wire diagram. Eberspacher night heater wiring diagram however eberspächer uk ltd. Circuit diagram airtronic d2 d4 heaters supplied with short optional loom rt 05 ge 05 gr 05 swrt 05 gnrt 10 br 10 br 05 blws 05 grrt 05 brws 05 8 way housing gr 05 br 05 319.
Wiring diagram for control switches. Using the brown wire pin 10 instead of the brownwhite pin 6 can cause problems. We have encountered three looms without a brownwhite wire. Some power wiring joints are hidden inside the loom sheath. Eberspacher airtronic heater webasto diesel heater eberspacher fuel pump.

















