Find high quality pa6 gb20 gf10 suppliers on alibaba. Oem connector systems assure the highest quality and integrity of your automotive electrical harness.
Delphi Connectors
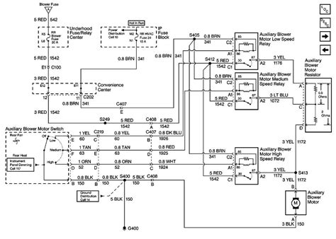
Delphi pa6 gb20 gf10 wiring diagram. I am installing the seats in a 1991 suburban square body. It didnt come with the factory tow package. Delphi weather pack series. It is terminated with a delphi pa6 gb20 gf10 terminal. We feature 56 series 59 series 150 metri pack 280 metri pack 480 metri pack 630 metri pack and the popular. I am trying to get a wiring diagram for the delphi pa6 gb20 gf10 plug so i can wire up the power seats and heaters.
Power signal group electronic components distributor. The problem that im having is finding the harness that plugs into t. Mouser offers inventory pricing datasheets for aptiv gt 150 series automotive connectors. 96 99 isuzu oasis ls honda odyssey fuse box under hood underhood w wiring conne. Delphi metri pack 630 series. Delphi metri pack 150 series utilize internationally standardized male blade sizes in 63mm and have a current range of 0 46amps.
Alibaba offers 11 pa6 gb20 gf10 suppliers and pa6 gb20 gf10 manufacturers distributors factories companies. Delphi metri pack 150 series utilize internationally standardized male blade sizes in 28mm and have a current range of 0 30amps. Im trying to wire up the towing harness for my 2014 chevy express. There are 5 oem 6 odm 3 self patent. Delphi 12110192 mp series black 3 pos 14a female automotive connector qty 50 1895 new delphi 12015870 metri pack female loose terminal 630 series 16 14 ga 25pack. Delphi metri pack 280 series.
Mbcluster mercedes diagnostics interfacing 38 pin analog digital and obdii ports mbcluster. Aptiv gt 150 series automotive connectors are available at mouser electronics. I have 10 way power seats supposedly out of an 03 diagram for the delphi pa6 gb20 gf10 plug so i can wire up w the exception of the last pin. Gb20 gf10 datasheet application note datasheet 2012 05 14в в get youtube without the ads. I have 10 way power seats supposedly out of an 03 silverado although all the diagrams im finding match a cadillac. Delphipackard terminals and connectors welcome to the most complete inventory of delphi connectors and terminals in the midwest.
Ive found a wiring harness that has the wiring for the trailer. Delphi pa6 gb20 gf10 connectors 13964572 new fast free shipping socket for truck suv trailer rv.











