Oem bmw e30 3 series wiring diagrams are helpful when diagnosing and troubleshooting electrical issues or wiring electrical components. Bmw e30 ignition switch wiring diagram wiring diagram is a simplified conventional pictorial representation of an electrical circuit.
1984 Bmw E30 Radio Wiring Diagrams Diagram Base Website
Bmw e30 wiring diagram. 1987 e3087pdf 20065810 bytes e3087zip 14139296 bytes. 1984 bmw e30 325e318i schematic diagram circuit and wiring diagram download for automotive car motorcycle truck audio radio electronic devices home and house appliances published on 15 mar 2014. These are official bmw wiring diagrams from bmw north america. In 1970 there are the most popular model series bmw 3 series 5 series 6 series 7 series. Bmw car manuals pdf wiring diagrams above the page 1 series m3 x3 x6 e53 318 323 328 e36 528 540 550 e60 e61 m6 645 650 740 750 850 z4 z8. To make it easier for you weve provided as much documentation as we can get our hands on to help you trace your cables.
Wiring can be a tricky matter and the one piece loom fitted to your e30 wont help much. 1984 e3084pdf 16982190 bytes e3084zip 12197014 bytes. Some bmw 3 e30 wiring diagrams are above the page. In 1986 the e30 convertible. Bmw e30 electrical troubleshooting manuals wiring diagrams bmw e30 1992 bmw e30 318ic 1991 bmw e30 325i 1991 bmw e30 318iisic 1989 bmw e30 325iis 1988 bmw e30 325325i325is 1987 bmw e30 325eesii convertible 1986 bmw e30 325 1985 bmw e30 325e318i 1984 bmw e30 325e318i 1984 bmw e30 318i bmw e30 ix 1991 bmw e30 325ix 1990 bmw e30 325ix. 1988 e3088pdf 21603218 bytes e30.
Only a year later in january 1984 buyers had the opportunity to choose with the advent of the 4 door sedan which at once greatly increased the popularity of the model. 1985 e3085pdf 29597440 bytes e3085zip 18747897 bytes. It shows the components of the circuit as simplified shapes and the skill and signal contacts in the middle of the devices. Wiring diagram schematics for your bmw 325e e30 get the most accurate wiring diagram schematics in our online service repair manual you cant always trust out of date or expired printed bmw 325e e30 manuals when it comes to wiring diagram schematics. Bmw was founded in 1917. E30 first appeared in january 1983 in a single version of the 2 door coupe.
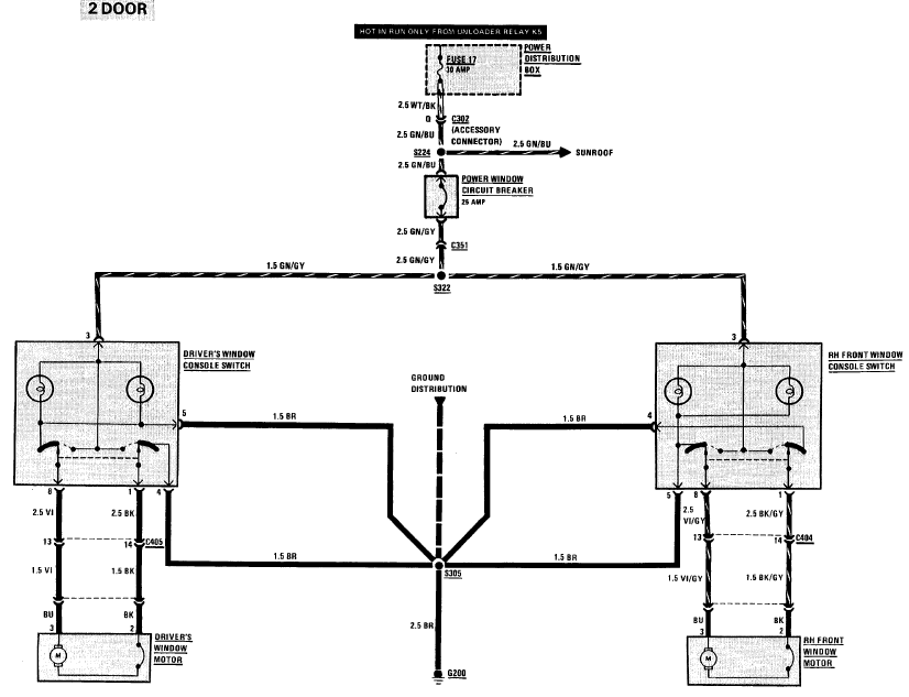
E30 1983 to 1992 3 series wiring diagrams. The purpose of the manual is to show electrical schematics in a manner that makes electrical troubleshooting easier. It was with the release of these cars bmw has taken the segment of luxury sedans. From e30 zone wiki. 1983 e3083pdf 10867285 bytes e3083zip 7171106 bytes. 1986 e3086pdf 21962051 bytes e3086zip 13584018 bytes.















