Gavr 8ah is a gavr 8a with samll size107x82x48cmsome customers specify the model number orderedthe components used in it are all imported or domestic famous brandscomplete inspection of critical electronic components to ensure high quality. Apply to 220380 vac brushless generator.
Us 38 82 12 Off Shaluo Nice Sx440 Alternator Internal Avr Circuit Diagram Of Automatic Voltage Regulator Generator Part Repairing
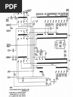
Gavr 8a wiring diagram. Gavr 20a features specifications sensinginput power input output voltage voltage voltage current resistance 220400vac1phase2wire 180240vac1phase2wire max90vdc at 240vacinput continuous 15a intermittent 20 a for 10see. Chapter 1 waves lesson 1 10. A dc output current. Gavr 20a is universal 20 amp 12 wave self excited dip switch programmable be automatic voltage regulator which is suitable for brushless generator. In addition to regulating the generator voltage the avr circuitry includes under speed and sensing loss protection to ensure safe reliable control of the generator. Part 6 spectral fatigue.
Diagrama pcc 3300revm wiring diagrams. With the function of low frequency protection and voltage. Gx340manual stamford serie 3 part 450 11700. 1 x product instructions. Min10 max100 voltagebuild up external volts adjustment sotf start ramp time unit power dissipation emi suppression thermaldrift. Gavr 8a is a half wave phase controlled thyristor type automatic voltage regulator and forms part of the excitation system for a brushless generator.
1 x gavr 8a automatic voltage regulator. Listing of emg top 10 active pickup wiring diagrams for emg 81 85 89 s sa zakk wylde bass pickups and spc exg eq circuits. He pressure regulating accuracy plus or minus 1. Gavr 20a h l n r f f 5. To the jumper copper choose 5060 hz. Gavr 8a generator avr 2019 11 21 gavr 8ah generator avr 2019 11 21 gavr 15c generator avr 2019 07 31 evr106 generator avr 2019 07 24.
All products are 100 online powered and aging for 12 hours and the product comes out with better stability and high reliability. Waves and sound packet. Gavr 8a universal 8amp 12 wave self excited dip switchprogrammalbe automatic voltage regulator features 1 regulation 110220400 vac programmable input rugged compactdesign with under frequency protection softstartvoltage ramping em suppression built inhihg capacity 8amp fuse specifications. Small volume light weight strong weatherability.

















